Шкала 1
Це супер проста шкала. Схема щось на зразок цього:

Кожен новий світлодіод загоряються з кроком 0.7В. Якщо треба більше -- ставиш підсилювач, якщо менше -- дільник.
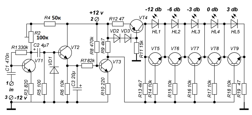
Шкала 2
Ця шкала уже з підсилювачем. Напевно доцільно її робити лише у випадку коли багато вільного часу. Але вона працює. В порівнянні з оригінальною схемою, я змінив резистори на колекторі в першому транзисторі.


Показчик
Десь в старих журналах МРБ я побачив псевноіндикацію на 7-и сегментних індикаторах. Мене ця ідея зацікавила і вирішив зробити щось іще простіше. Я обрав 4 літери H, P, F, A тому що вони красиво відображаються і просто читаються на індикаторі. Окрім того вони мають 3 спільні і 3 відмінні сегменти. Ці літери можуть означати слова як на фото знизу. Літера яка відображається закодована комбінацією з двох сигналів, які я для наочності зробив кнопками. Ці два сигнали інвертуються (один мікросхемою, інший транзистором) і дешифруються трьома іншими елементами ЛА7. Дешифрований сигнал іде на матрицю пам'яті із діодів, а виходи напряму ідуть на індикатори.

